
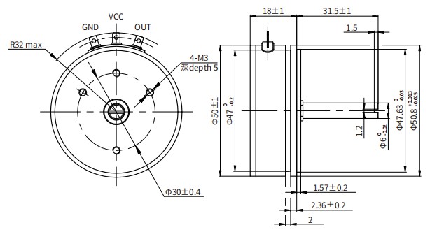
机械转角
360º(连续旋转)
防护等级
IP40
旋转力矩
<1mN·m
预期寿命
100,000,000
质量
Approx.100g
外壳
铝合金,表面阳极氧化
轴
不锈钢
工作温度
-40℃~+85℃
储存温度
-40℃~+85℃
ESD
接触放电±8KV,空气放电±15KV,EN61000-4-2:2009
EMS
10V/m (80MHz~1GHz,1KHz80% 调幅),EN61000-4-3:2006+A1:2010
标准型号
WDH50A 0505 W360(更多工作电压/输出信号:2410、2405、2442,请下载资料查看。)
工作电压
5V±10%
输出信号
0~100%Vcc
工作电流(无负载)
<16mA
始末端输出偏差
<1%·VCC
负载电阻
>100KΩ
有效电气转角
360º
独立线性公差
±0.3%
分辨率
4096 (12 Bit)
更新速度
0.3ms
绝缘电阻
> 1000MΩ (500V.D.C)
介质耐压
1 min (500V.A.C)
0505
5V±10% / 0~100%Vcc
2410
15~30V / 0~10V
2405
9~30V / 0~5V
2442
15~30V / 4~20mA
特殊模拟量信号
1010:10V输入,0~10V输出、0305:3.3V输入,0~5V输出、双路模拟量、PWM
其他输出信号
增量, SSI, SER, SPI, RS485, RS422, CAN, USB
特殊机械转角
带停止位(机械转角约345°,或270°、180°、90° 等特殊机械转角的产品,该转角也可由客户指定)
特殊力矩
<0.5mN·m的轻力矩或<30mN·m的高力矩
特殊轴型
特殊轴长、特殊轴径或轴上特殊加工(铣平面、开槽、端部打孔、侧面打孔等)。