
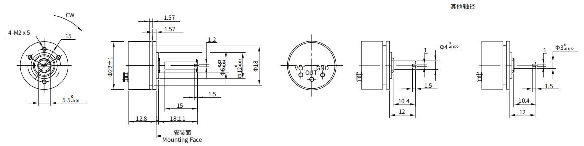
机械转角
360º(连续旋转)
防护等级
IP40
旋转力矩
<1mN·m
预期寿命
100,000,000
质量
Approx.20g
外壳
铝合金,表面阳极氧化
轴
不锈钢
工作温度
-40℃~+125℃
储存温度
-40℃~+125℃
ESD
接触放电±8KV,空气放电±15KV,EN61000-4-2:2009
EMS
10V/m (80MHz~1GHz,1KHz80% 调幅),EN61000-4-3:2006+A1:2010
标准型号
WLH22S 0505 W360
工作电压
5V±10%
输出信号
0~100%Vcc
工作电流(无负载)
<16mA
始末端输出偏差
<1%·VCC
负载电阻
>100KΩ
有效电气转角
360º
独立线性公差
±0.5%
分辨率
4096 (12 Bit)
更新速度
0.3ms
绝缘电阻
> 1000MΩ (500V.D.C)
介质耐压
1 min (500V.A.C)
特殊模拟量信号
双路模拟量、PWM
特殊轴型
特殊轴长、特殊轴径或轴上特殊加工(铣平面、开槽、端部打孔、侧面打孔等)。