
机械转角
360º (连续旋转)
防护等级
IP67(电气部分)
启动力矩
≤1mN·m
最大转速
6000rpm
预期寿命
>100,000,000
质量
约58g
外壳
铝合金,表面阳极氧化
轴
不锈钢
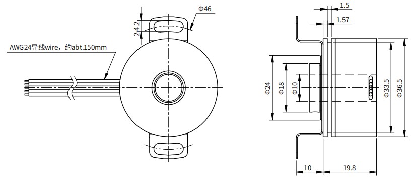
轴径
φ10通孔 (φ12内通孔可定制)
工作温度
-40℃~+125℃
储存温度
-55℃~+125℃
振动
100m/s², 10Hz~2000Hz (EN 60068-2-6)
冲击
500m/s², 13ms (EN 60068-2-27)
ESD
接触放电±8KV,空气放电±15KV,EN61000-4-2:2009
EMS
100V/m (80MHz~1GHz,1KHz80% 调幅),EN61000-4-3:2006+A1:2010
标准型号
II36-1-F5-W4096P
工作电压
5V DC±10%
输出形式
推挽输出
输出脉冲数
4096 ppr (512、1024、2048、4096、500、1000、2000、4000 ppr 可选)
启动时间
5ms
信号延时
4~6μs
消耗电流
<20mA
输出电平
TTL
绝缘电阻
> 1000MΩ (500V.D.C)
介质耐压
1 min (500V.A.C)
特殊轴型
特殊轴长、特殊轴径或轴上特殊加工(铣平面、开槽、端部打孔、侧面打孔等)
特殊输出
差分信号