
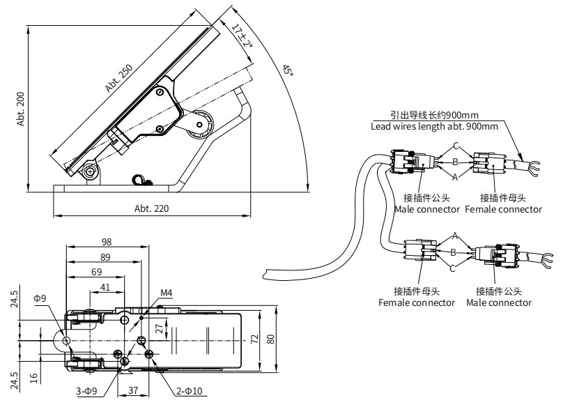
操作角度
17°±2°
操作压力
40~50N
预期寿命
10,000.000
工作温度
-40℃~ 85℃
储存温度
-50℃~ 120℃
质量
约860g
防护等级
IP66
工作电压
5V±10%
输出信号
0~100%Vcc
工作电流(无负载)
≤20mA
独立线性公差
±2%
分辨率
4096 (12 Bit)
更新速度
0.3ms
绝缘电阻
>1000MΩ (500V.D.C)
介质耐压
1 min (500V.A.C)
端口
信号I ;信号II
颜色 / 功能;颜色 / 功能
A
黑色 / 接地;黄色 / 输出信号2
B
绿色 / 输出信号1;蓝色 / 接地
C
红色 / 5VDC;白色 / 5VDC
其他输出信号
PWM
特殊电气性能
特殊输出幅值