
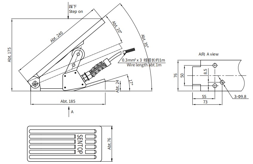
操作角度
约20°
操作压力
15~27N
预期寿命
5,000,000次
工作温度
-30℃~+70℃
储存温度
-30℃~+70℃
振动
10~55Hz 98m/s²
冲击
294m/s²
质量
约1100g
防护等级
IP67(电气部分)
电气性能
S1,R1,R2,R3,R4
工作电压
5V±10%,5V±10% ,9V~30V,15V~30V,15V~30V
输出信号
0.5V~4.5V,0~5V,0~5V,0~10V,4~20mA
工作电流(无负载)
<16mA,<16mA,<25mA,<25mA,<35mA
始末端输出偏差
<1%.VCC,<1%.VCC,<50mV,<50mV,<0.1mA
负载电阻
>100KΩ,>100KΩ,>100KΩ,>100KΩ,<600Ω
电气转角
约60°
独立线性公差
±2%
分辨率
4096 (12 Bit)
更新速度
0.3ms
绝缘电阻
>1000MΩ (500V.D.C)
介质耐压
1 min (500V.A.C)
线色
红色,黑色,白色
名称
电源正端 VCC,电源负端 GND,输出信号 OUT
其他输出信号
PWM
特殊电气性能
特殊电气输出性能和导线加长等