
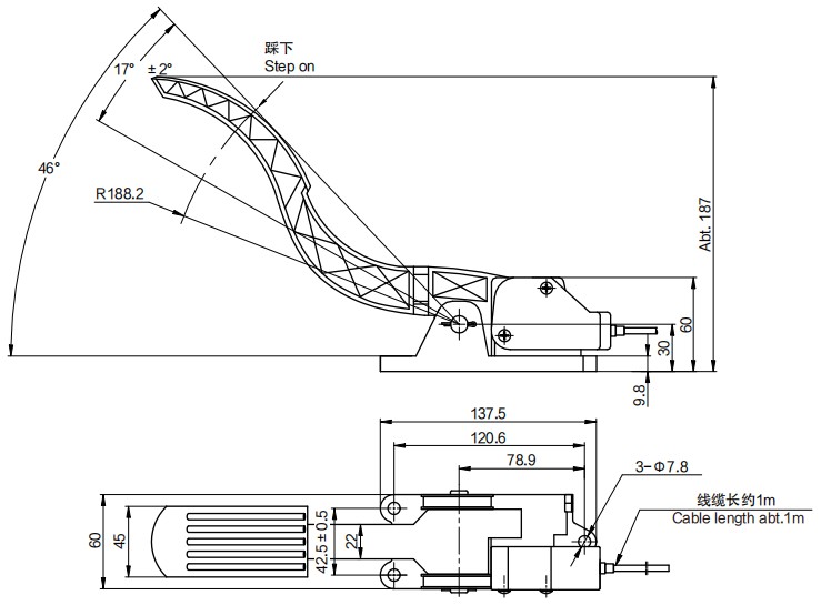
操作角度
约17°
操作压力
14~25N
预期寿命
1,000,000次
工作温度
-40℃~+85℃
储存温度
-40℃~+105℃
振动
10~55Hz 98m/s²
冲击
294m/s²
质量
约1100g
防护等级
IP67(电气部分)
电气性能
R1;R2;R3;R4
工作电压
5V±10%;9V~30V;15V~30V;15V~30V
输出信号
0~5V;0~5V;0~10V;4~20mA
工作电流(无负载)
<16mA;<25mA;<25mA;<35mA
始末端输出偏差
<1%.VCC;<50mV;<50mV;<0.1mA
负载电阻
>100KΩ;>100KΩ;>100KΩ;<600Ω
独立线性公差
±2%
分辨率
4096 (12 Bit)
更新速度
0.3ms
绝缘电阻
>1000MΩ (500V.D.C)
介质耐压
1 min (500V.A.C)
容量
2A/30V.D.C., 0.5A/125V.A.C.
电气寿命
>100,000
机械寿命
>100,000,000
端口
1;2;3;4;5;6
名称
SW- ;空;SW;OUT1;GND1;VCC1
其他输出信号
PWM、SSI、RS485和CANopen等
带接插件
接插件型号1:DTM04-6P、接插件型号2:AMP 174359-2