Вернуться: 2022-12-08
Conductive plastic
Economy version
Classical type, various specifications
With one couple of precision ball bearings
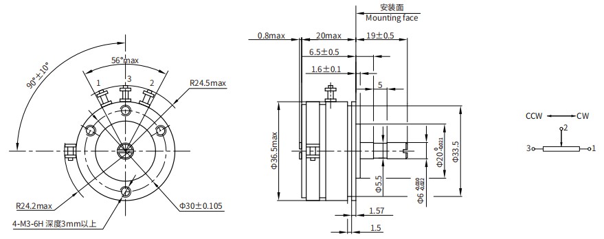
Various models are available: WDD35D4, WDD35D1, WDD35S, WDD35D8T

Mechanical angle
360º (Endless)
Protection degree
IP40
Operating torque
<1mN·m
Life expectancy
20,000,000
Mass
Approx.50g
Bearing
With one couple of precision ball bearings
Housing material
Anodized aluminium alloy
Shaft material
Stainless steel
Wiper material
Precious metal multi-finger wiper
Operating temperature range
-55℃~+125℃
Storage temperature range
-55℃~+125℃
Shock
50G 11ms
Vibration
15G/10Hz ~ 2000Hz
Standard resistance
1K、2K、5K、10K
Resolution
Essentially infinite
Resistance tolerance
±15%
Independent linearity tolerance
±0.1%
Electrical angle
345°±2°
Power rating
2W
Wiper current
μA~1mA(Max.2mA)
Insulation resistance
≥1000MΩ(500V.D.C.)
Dielectric strength
500V.A.C/1 min
Output smoothness
<0.1%against input voltage
Resistance temperature coefficient
±400P.P.M/°C
Special specifications
With stopper(Electrical angle:340°),With return device,Shaft with front and rear extension,Special machining on the shaft,Extra tap,2-ganged,With pointer.