Вернуться: 2023-01-09
Hall effect joystick
Firm and reliable structure
Various output signals

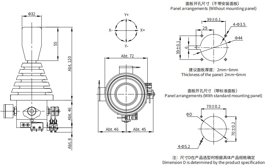
Operating angle
Approx. ±32° Omni-directional
Operating force(note)
Approx. 3.5N~10N
Mechanical life expectancy
Approx. 5,000,000
Operating temperature
-20℃~+70℃
Storage temperature
-20℃~+70℃
Vibration
10~55Hz 98m/s²
Shock
294m/s²
Mass
Approx. 460g
Protection degree
IP65(Above panel)
Input voltage
5V±10% ;9~30V;15~30V;15~30V
Output signal
0~100%Vcc;0~5V;0~10V;4~20mA
Current consumption (no-load)
<16mA;<25mA;<25mA;<35mA
Load resistance
>100KΩ;>100KΩ;>100KΩ;<600Ω
Output deviation at both ends
<1%.Vcc;<50mV;<50mV;<0.1mA
Independent linearity tolerance
±2%
Resolution
4096 (12 bits)
Dielectric strength
1min (500V.A.C.)
Insulation resistance
>1000MΩ (500V.D.C.)
EMS
10V/m(80MHz~1GHz,1KHz 80%)EN61000-4-3:2006+A1:2010
Electrical specifications (switch)
Push button switch;Microswitch
Rating
48V.D.C. / 0.1A;125V.A.C. / 5A
Electrical life expectancy
500,000;200,000
Mechanical life expectancy
1,000,000;30,000,000
Insulation resistance
>1000MΩ (500V.D.C.);>100MΩ (500V.D.C.)
Dielectric strength
1min (1000V.A.C.);1min (1000V.A.C.)
Models
S4803P-CAN;S4803P-RS485
Input voltage
8~32V.D.C.;8~32V.D.C.
Communication interface
CANbus;RS485
Communication protocol
CANopen;Modbus RTU
Dielectric strength
1 min (500V.A.C.)
Insulation resistance
>1000MΩ (500V.D.C.)
Special analog signals
10V applied, 0~10V output;3.3V applied, 0~5V output;Dual analog signal and PWM
Other output signals
SSI, USB, wireless conmunication(LoRa), other digital signal, bus signal, etc.
Special knob
Special lever length, customized knob, with push button switch (with light is optional), C106, C118
Other mechanical specifications
Special operating force, mid position self-locking function, with spring return device for single side
Other special specifications
With customer-specific connectors, With protection module