2026-03-23
- 01 - 旋转变压器
旋转变压器(Resolver/Transformer)顾名思义是一种旋转式的变压器,是用来测量旋转物体的角位移或角速度的传感器。它基于1831年Michael Faraday发现的交流电电磁感应现象,由一个信号发生线圈(激励线圈)和两个互成90°夹角的正余弦感应线圈组成。当激励线圈中通入高频的交流激励电压时,两个感应线圈中会产生相应的感应电压。感应电压的幅度与激励电压的幅度的比例与感应线圈与激励线圈的相对位置有关。通过对感应线圈中的感应电压的解算,就可以得到感应线圈与激励线圈的角度位置关系。

旋转变压器电气原理 旋转变压器电气原理框图
结构上,旋转变压器与交流电动机类似。都由定子线圈、转子线圈组成。从广义上讲,旋转变压器就是一种电机。是一种测量用途的“特种电机”。
早期的旋转变压器将激励线圈和感应线圈分别布置在定子部分和转子部分。为了将转子部分的信号引出,需要用到集流环和电刷。称为有刷式或接触式旋转变压器。但因为电刷和集流环会产生摩擦,其可靠性较差,寿命也较短。

有刷式旋转变压器
为提升可靠性和寿命,在有刷旋转变压器的基础上又发展出了无刷式的旋转变压器。通过附加一次侧和二次侧线圈,利用二次电磁感应省去了电刷和集流环。但其体积、质量、成本均相应增加。

无刷式旋转变压器
为节省成本和空间,又有了磁阻式旋转变压器。它将激励线圈和感应线圈放在同一套定子槽内。而转子则采用高导磁率材料制成。其形状经过特殊设计,使其与正余弦感应线圈的气隙磁场近似于正余弦型。但其精度较前两者低。

磁阻式旋转变压器
旋转变压器最初是为军事应用而开发的。它具有抗干扰能力强、结构坚固、对恶劣环境(如粉尘、油雾、振动、磁场、高温、严寒、潮湿)适用性强的特点。而后,众多工业领域认识到旋转编码器的优势后也纷纷开始使用,如伺服控制系统、汽车、电力、冶金、机器人系统等。
但军工血统的成本高昂限制了旋转编码器的大范围普及。其精密线圈、高导磁材料都需要较高的材料成本和工艺成本。在信号处理上,还需要专用的解码器对感应线圈的输出信号进行处理后才能解析出角度信息。也进一步增加了应用成本和门槛。以主流的日本多摩川、德国LTN、德国亨士乐等为例,动辄几千元的售价让众多工程师望而却步。
另外,旋转变压器结构坚固的特点即是它的优点,也是它的弱点。旋转变压器的体积大、重量大,难以在注重空间利用率的工业化场景中得到大范围的应用。
- 02 - 电感传感器
近些年,随着印刷线路板技术突破,使得原本体积庞大的线圈可以被印制到薄薄的线路板上。从而大大减少了旋转变压器的硬件成本。这种革命性的新技术也以“电感传感器(Inductive sensor)”的名称进入大家的视线并逐渐被市场接受。

电感传感器
电感传感器的基本原理与旋转变压器一致,都包含激励线圈和感应线圈。通过激励线圈发出高频交变磁场。感应线圈为两个相对激励线圈完全对称放置并以差动形式连接的结构完全相同的线圈。由激励线圈产生的交变磁场进入感应线圈,根据法拉第电磁感应定律,每个感应线圈中会产生一个感应电压。由于两个感应线圈结构完全相同,差动连接的感应线圈的输出电压为零。当有外部的铁氧体或导体进入磁场时,铁氧体(或导体)吸引(或排斥)磁场。感应线圈的输出电压会发生变化。输出电压的变化与铁氧体(导体)的位置相关。
电感传感器不仅具有旋转变压器的优点。另外,得益于现代数字电路技术、印刷线路板技术、集成芯片技术以及软件算法升级,电感传感器更小、更薄、更轻。省去了专用解码器,其安装使用更便捷,成本更低。还可以实现传统旋转变压器难以实现的曲线几何图形测量、柔性测量、直线测量等。
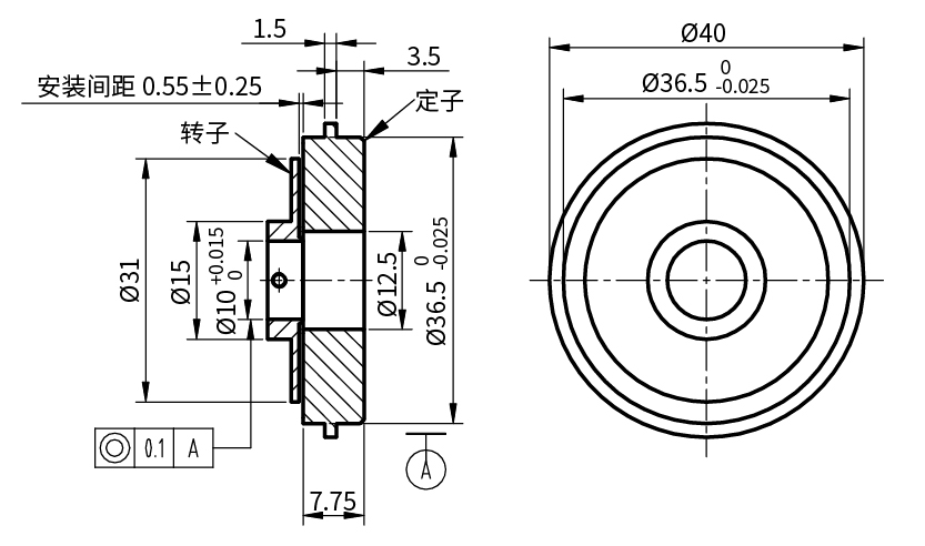
- 03 - IBS36-1系列 电感编码器
思博深耕技术研发,坚守品质至上,持续为市场提供高性能产品与解决方案。现已推出IBS36-1系列小型空心轴电感编码器,该系列可提供带轴承的一体式规格和不带轴承的分体式规格,可满足用户的不同需求。

IBS36-1系列小型空心轴电感编码器

一体式电感编码器 分体式电感编码器
特点
高精度——14bit分辨率,0.3%精度;
高防护等级——IP67防护等级(电气部分),可接受更高特殊防护等级定制;
高环境适应性——耐粉尘、耐油雾、耐潮湿;
抗干扰——抗磁场、抗振动;
价格经济。
性能
电源:5V±10%或9~30V可选;
输出信号:绝对值模拟量0~5V、0~10V、4~20mA、PWM、数字量SSI、RS485、CANopen、增量ABZ可选;
消耗电流:<80mA;
工作温度:-40℃~125℃;
储存温度:-55℃~125℃;
最大转速:6,000rpm。
应用

电机、机器人、工业自动化、汽车电子、工程机械、矿产、冶金、水力、电力等。
另外,我们还可以提供更多灵活的定制化解决方案,满足您不同场景的特殊需求。欢迎与我们联系。

欢迎您扫描二维码,
添加思博专属客服,
获取更多信息。
更 多 精 彩
思博公司是上海市先进民营企业、上海市AAA级守合同重信用企业、上海市科技型中小企业、上海市“专精特新”企业、上海市高新技术企业、ISO9001质量管理体系认证企业。公司产品长期出口欧美、东南亚等海外市场,包括电位器、操纵杆、脚踏板、拉线传感器、倾角传感器、编码器、手轮和信号通讯模块等在内的各类产品达几千款之多。欢迎广大新老客户垂询惠顾!

更多产品信息,请关注思博的网站www.sakae.cn。
*部分图片来自网络,侵删。
抖 音 来 袭
思博官方抖音,请认准“SENTOP"
更多精彩内容请移步抖音,
搜索"SENTOP"获取产品介绍、技术分享、促销信息!