Time: 2023-01-09
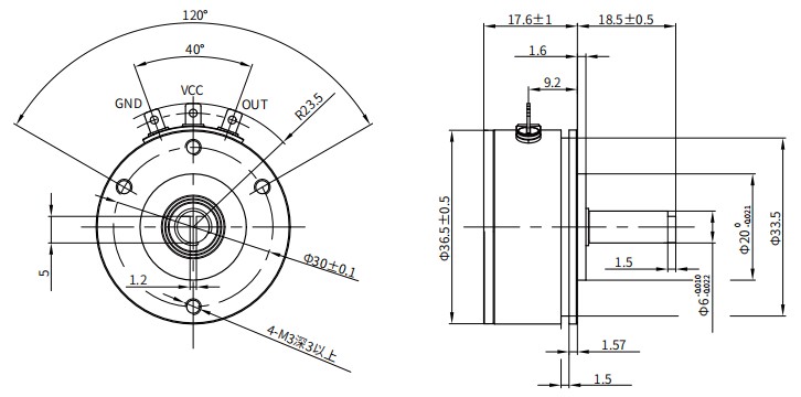
Magnetic rotary sensor
Low cost version
Screw&Servo mount
With side lug terminal

Mechanical angle
360º(Endless)
Protection degree
IP40
Operating torque
<5mN·m
Life expectancy
50,000,000
Mass
Approx.60g
Housing material
Anodized aluminium alloy
Lid material
Nylon
Shaft material
Stainless steel
Operating temperature range
-30℃~+85℃
Storage temperature range
-30℃~+85℃
ESD durability
Contact discharge ±8KV,Aerial discharge ±15KV,EN61000-4-2:2009
EMS durability
10V/m (80MHz~1GHz,1KHz80% Amplitude modulation),EN61000-4-3:2006+A1:2010
Standard model
WLH35A 0505 W360(For more input voltage/output signal such as 2410、2405、2442, please check our catalog.)
Input voltage
5V±10%
Output signal
0~100%Vcc
Current consumption (no-load)
<16mA
Output deviation at both ends
<1%·VCC
Load resistance
>100KΩ
Effective electrical angle
360º
Independent linearity tolerance
±0.5%
Resolution
4096 (12 Bit)
Update rate
0.3ms
Insulation resistance
> 1000MΩ (500V.D.C)
Dielectric strength
1 min (500V.A.C)
0505
5V±10% / 0~100%Vcc
2410
15~30V / 0~10V
2405
9~30V / 0~5V
2442
15~30V / 4~20mA
Special analog signals
1010:10V applied, 0~10V output, 0305:3.3V applied, 0~5V output, Dual analog signal and PWM
Other output signals
SSI, SER, SPI, RS485, RS422, CAN, USB
Special shaft
Special length of shaft, special diameter or special machining on shaft (like shaft slotted、flatted etc.)